ARA Meiringen - Unité de traitement des eaux usées

« Les fonctionnalités complètes de P&ID, les bibliothèques de symboles intelligents et la grande flexibilité offerte par MEDUSA4 P&ID ont joué un rôle important dans notre choix d’acquisition du logiciel, le rapport qualité prix du logiciel, et le support fourni par CAD Schroer durant les phases d’évaluation et d’implémentation ont été des points particulièrement appréciés ».

– Markus Zumbrunn, responsable du fonctionnement de l’usine

Renouvelable, efficace et durable

Depuis plus de 30 ans, la station d’épuration de Meiringen en Suisse, traite plus d’un million de mètres cubes d’eaux usées par an. Un entretien rigoureux et une technologie de pointe favorise la pérennité du fonctionnement de l’usine. L’utilisation de l’énergie durable et l’efficacité énergétique sont également des principes clés de l’exploitation d’ARA Meiringen, qui produit de l’électricité à partir du du biogaz obtenu par fermentation des boues. En 2008, l’usine a reçu la «Médaille d’eau» 2008 pour son utilisation efficace de l’énergie durable.

Optimisation de Process et Amélioration Constante

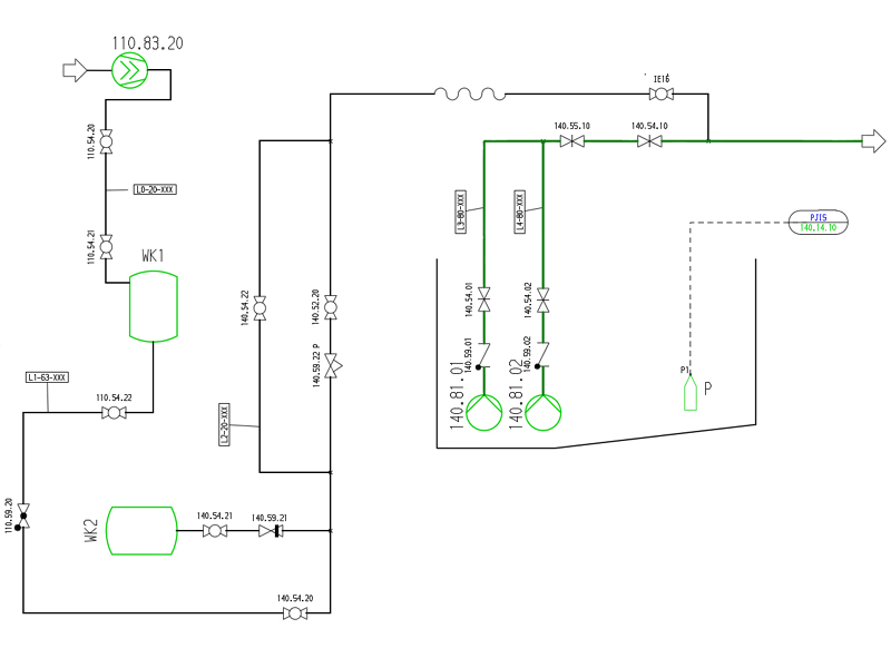
Markus Zumbrunn est responsable du fonctionnement de l’usine. Trois membres du personnel veillent au bon fonctionnement de l’installation et maintenir l’usine en phase avec les dernières évolutions technologiques et les processus de traitement. À cette fin, le personnel d’ARA Meiningen réalise ses propres prototypes, conceptions et constructions. Cela implique la modification des diagrammes de tuyauterie et d’instrumentations existants (P&ID) ainsi que la conception et la fabrication de composants particuliers. Pour améliorer leurs processus de conception, ARA Meiringen a choisi le logiciel MEDUSA4 P&ID de CAD Schroer pour créer et modifier plus rapidement et facilement des schémas de tuyauterie et d’instrumentation intelligents.

Conception et documentation de process

Lorsque la société a acquis le logiciel, M. Zumbrunn a importé et numérisés les schémas existants avec MEDUSA4 P&ID. Il a pu ensuite les modifier pour les mettre à jour, reflétant ainsi l’agencement actuel de l’usine. Des P&IDs précis sont essentiels à la réalisation d’une documentation complète de l’installation.

Any changes and plant process improvements can now easily be planned and reflected in MEDUSA4 P&ID. The software allows users to quickly edit designs in line with new requirements, as well as try different version of a schematic to find the best solution for plant optimisation. MEDUSA4 P&ID includes an extensive P&ID symbol library, as well as dynamic tools for placing and editing symbols and creating piping systems. Automatic consistency checking and parts list generation provide quality assurance and the necessary information for downstream processes.

After creating his P&IDs, Mr Zumbrunn uses MEDUSA4 P&ID’s 2D drafting tools for sketching or even detailing any new components or equipment required. The drawings are then passed to the in-house production team for manufacturing, or – in the case of larger projects – to consultant engineers for further detailing.

Retour en haut